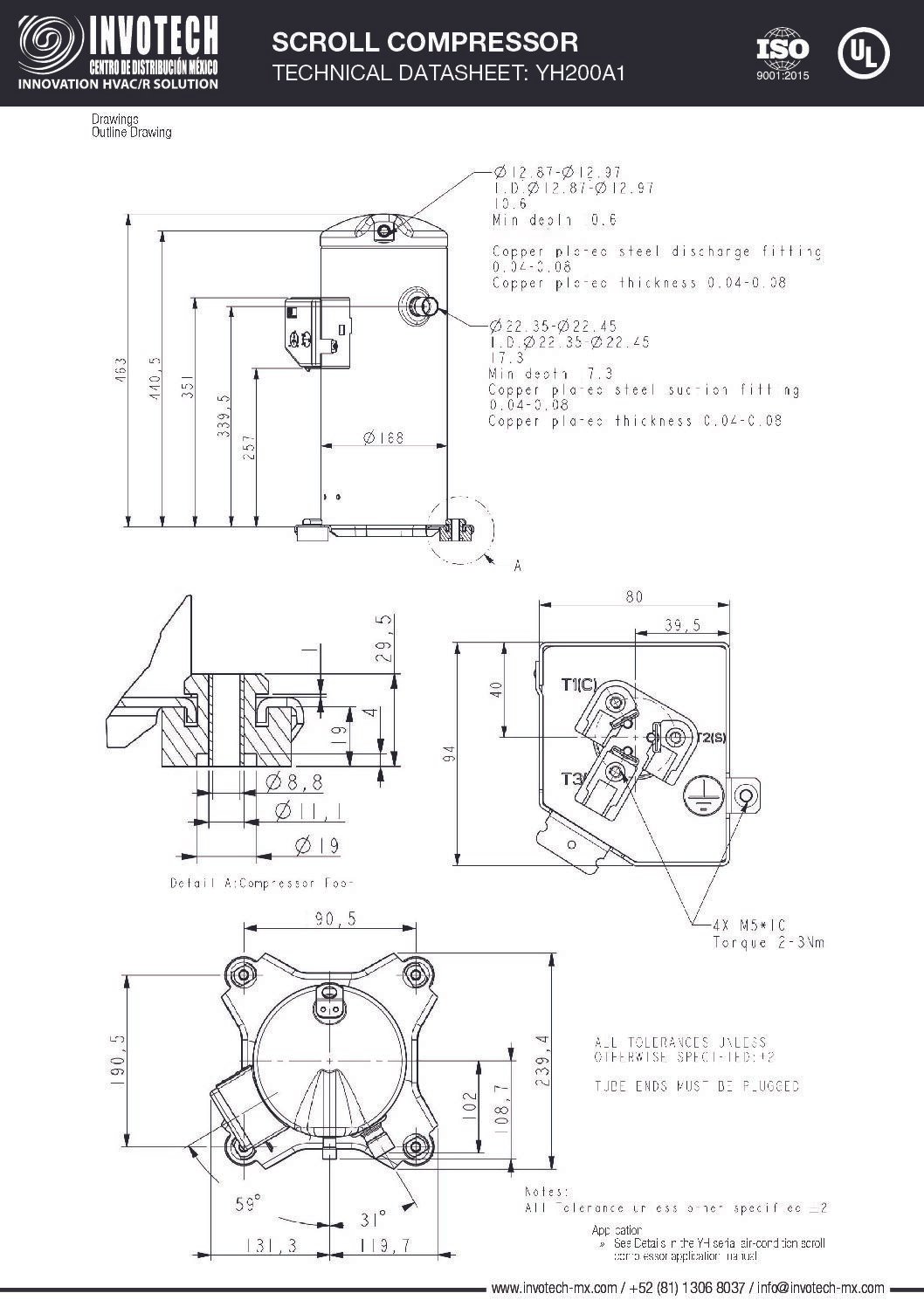
Descripción
Compresor Scroll YH200A1-210 7 HP 460/3/60 R-22
El compresor Scroll de 7 caballos de fuerza trifásico está diseñado para sistemas de aire acondicionado que operan a 460V y 60Hz con refrigerante R-22. Ofrece gran capacidad de enfriamiento, eficiencia y confiabilidad en aplicaciones comerciales con alta demanda.
Características principales:
-
Potencia: 7 HP.
-
Alimentación:4620V, trifásico, 60Hz.
-
Refrigerante: R-22.
-
Capacidad de enfriamiento aproximada: 83.000 BTU/h.
-
Tecnología Scroll con compresión continua y estable.
Ventajas:
-
Operación silenciosa y con baja vibración.
-
Mayor durabilidad y menor mantenimiento.
-
Alta eficiencia energética dentro de equipos con R-22.
-
Adecuado para aplicaciones comerciales de uso continuo.
Aplicaciones recomendadas:
Ideal para sistemas de aire acondicionado comerciales y semiindustriales que requieren alto rendimiento, como locales amplios, unidades rooftop o entornos con gran carga térmica.






Valoraciones
No hay valoraciones aún.