Descripción
Compresor Scroll Hermético Modelo YH230T7-210
Descripción Técnica del Producto
El compresor scroll YH230T7-210 representa un componente fundamental para sistemas de climatización comercial de alta capacidad. Diseñado con tecnología scroll avanzada, este equipo ofrece un rendimiento óptimo en aplicaciones de aire acondicionado que requieren potencia y eficiencia superiores.
📊 Especificaciones Técnicas Completas
Datos de Identificación
-
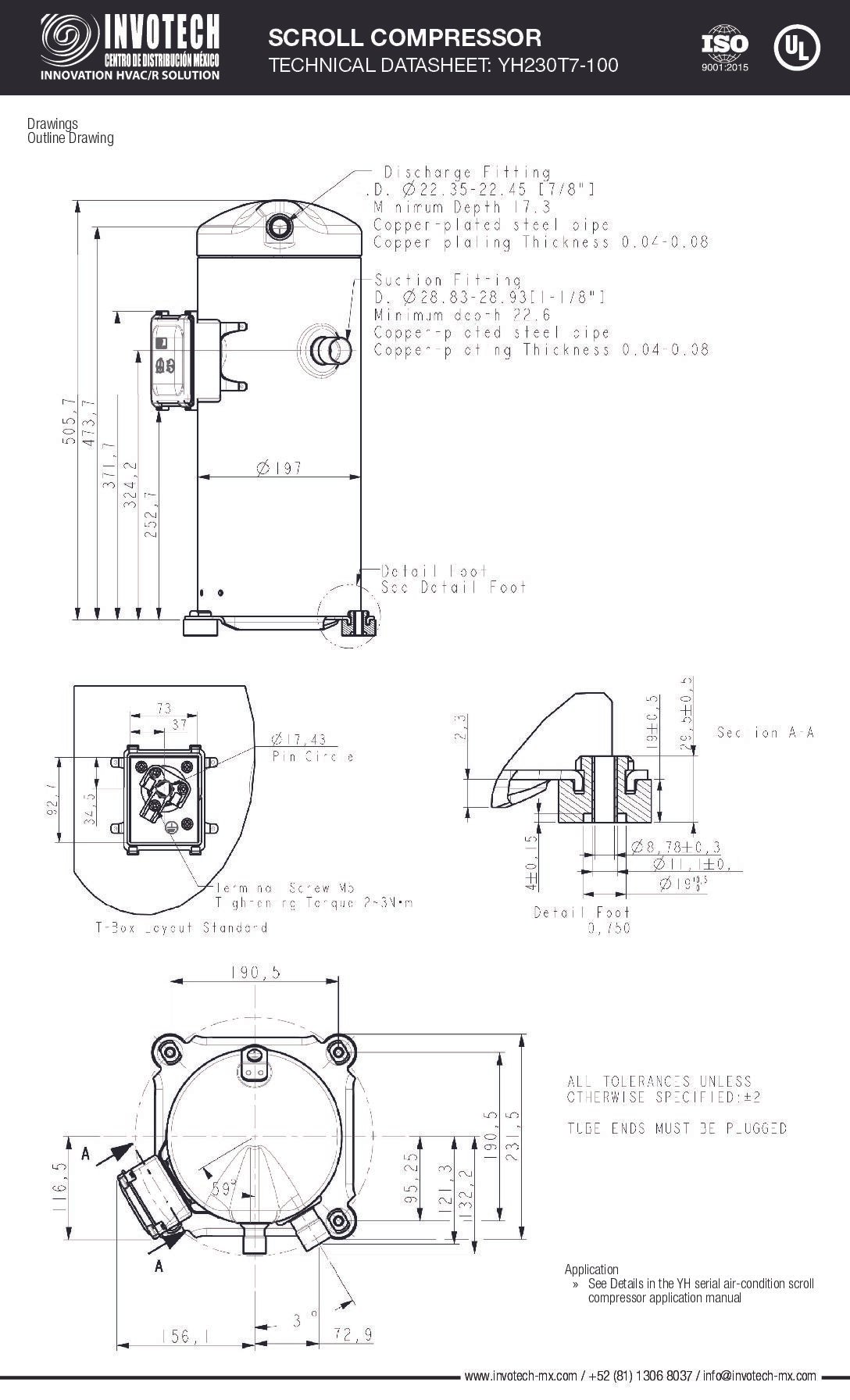
Modelo: YH230T7-210
-
Fabricante: INVOTECH
-
Tipo de Compresor: Scroll Hermético
-
Categoría: Comercial/Industria
-
Refrigerante: R407c
Parámetros de Rendimiento
| Parámetro | Valor | Unidad |
|---|---|---|
| Capacidad Nominal | 92,000 | BTU/HR |
| Potencia del Motor | 8 | HP |
| Voltaje de Operación | 220 | V |
| Fases | 3 | Ø |
| Frecuencia | 60 | Hz |
| Factor de Potencia | 0.85 – 0.95 | – |
| EER (Energy Efficiency Ratio) | Consultar curva | – |
Características Constructivas
-
Tipo de Envolvente: Hermético totalmente sellado
-
Sistema de Compresión: Scroll orbital fijo
-
Material del Carcas: Acero de alta resistencia
-
Sistema de Lubricación: Forzado por bomba centrífuga
-
Protecciones Integradas:
-
Protector térmico bimetálico
-
Relé de sobrecarga
-
Dispositivo contra cortocircuito
-
🔬 Tecnología de Compresión Scroll
Principio de Operación
El sistema scroll opera mediante dos espirales intercaladas: una fija y otra en movimiento orbital. Este diseño proporciona:
-
Compresión continua sin pulsaciones
-
Menor número de partes móviles (≈70% menos que reciprocantes)
-
Mayor eficiencia volumétrica (85-95%)
-
Operación exenta de válvulas de succión y descarga



Valoraciones
No hay valoraciones aún.